

Features
Reference: 180427
Universal TRIAC pushbutton dimmer for LED lamps 230 V for standard 35 mm rail.
Be the first to ask a question about this product!
Reference: 127016
Multipower electronic LED driver PUSH dimmable DC
Reference: 141092
Electronic power supply 12W in direct current 250mA (10W) or 350mA. IP20 independent power supply, for indoor use. Nominal voltage 220-240V. Dimensions: 70x41x19 mm.
Reference: 127556
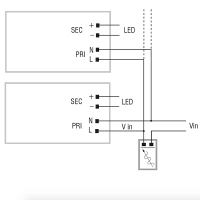
Electronic power supply adjustable with dip-switch from 250mA to 900mA in constant current and 12V-24V direct current. Dimmable with IGBT-TRIAC system.
Reference: 122201
Adjustable electronic ballast with DIP-SWITCH. Operating mode in constant current from 250 to 700mA or constant voltage 24 Volt.
Reference: 122262
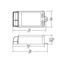
TCI DC JOLLY MD LC multipower driver 7,2-24W 150-500 mA dimmable with igbt/triac system, mains dimming trailing edge/leading edge. Dimensions: 166X46X34mm
Reference: D04055H345B08
Driade Fratello, low table with steel frame and central wooden beam, with tempered glass tops. For indoor use only.
Reference: 1602-34-1137-NXBE
Mom, indoor wall lamp in opaque borosilicate glass. Available in the FATTY variants and in the finishes with Matt Gold or Matt Black structure plus White, Black, Blush Pink, Mustard, Sage Green, Air Force Blue and Sand diffuser. E14 led bulbs not included.