

Caratteristiche
Riferimento: 180427
Dimmer universale TRIAC regolabile per lampade LED a 230 Vac per guida barra DIN 35
Sii il primo a porre una domanda su questo prodotto!
Riferimento: 127016
Alimentatore elettronico multipotenza LED dimmerabile push in corrente continua
Riferimento: 141092
Alimentatore elettronico da 12W in corrente continua a 250mA (10W) o 350mA. Alimentatore indipendente IP20, per uso interno. Tensione nominale 220-240V. Dimensioni: 70x41x19 mm.
Riferimento: 127556
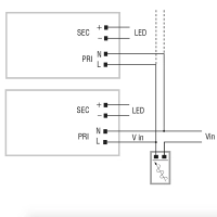
Alimentatore elettronico regolabili con dip-switch da 250mA a 900mA in corrente costante e 12V-24V corrente continua . Dimmerabile con sistema IGBT-TRIAC.
Riferimento: 122201
Alimentatore elettronico regolabile con DIP-SWITCH. Modalità di funzionamento in corrente costante da 250 a 700mA o tensione costante 24 Volt .
Riferimento: 122262
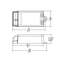
Alimentatore TCI DC JOLLY MD LC multipotenza 7,2-24W 150-500 mA dimmerabile con sistema igbt/triac,trailing edge/leading edge. Dimensioni: 166X46X34mm
Riferimento: 1905-30-0100-PXNE
Vela, lampada da parete, ideale per ambienti interni. Disponibile in tre finiture differenti.
Riferimento: 5701017009
Louis Poulsen First House of Light Book, libro di design in Edizione Speciale per il 150° Anniversario, by TF Chan.
Riferimento: JUBE AP S CRTR OS L22 14 CE
Jube, lampada da parete led per interno. Disponibile in diverse varianti.
Riferimento: FOCUS x3 BL
Focus, lampadario led per interno. Disponibile in tre dimensioni e in due colori. Dimmerabile.
Riferimento: RIFLE AP P CRTR RAV L22 CE
Riflesso, lampada da parete led per interno. Disponibile in più varianti.